מועדון פיאט ישראל  

חזור   מועדון פיאט ישראל > פורום טכני > פונטו - טכני
עקוב אחרינו ב-RSS

פונטו - טכני טכני - דגמי פונטו בלבד.

גלריה
תמונות מהגלריה
לחץ על התמונה בשביל גרסא גדולה יותר

שם:  
צפיות: 
גודל:   

פיאט 127 שנראתה במשרד הרישוי בחולון
לחץ על התמונה בשביל גרסא גדולה יותר

שם:  
צפיות: 
גודל:   

הפונטו המתוקה שלי אחרי פינוק של סוף שבוע.
לחץ על התמונה בשביל גרסא גדולה יותר

שם:  
צפיות: 
גודל:   

7.3 שנים עם האונו הסתיימו
לחץ על התמונה בשביל גרסא גדולה יותר

שם:  
צפיות: 
גודל:   

פלסטלינה+ואקס לפיאט בראבה
לחץ על התמונה בשביל גרסא גדולה יותר

שם:  
צפיות: 
גודל:   

ה-Evo החדשה שלי


מודעות שרות
shimshon
ofer katzav ad


מועדון פיאט בפייסבוק


תגובה
 
כלי נושא הצג מצבים
ישן 07-11-13, 23:35   #21
רפי לין
בעל מקצוע
מנהל
 
האווטאר של רפי לין
 
תאריך הצטרפות: Oct 2007
מיקום: רמת השרון
הגלגלים שלי: בראבו גיר רובוטי, פנדה גיר ידני
הודעות: 6,357
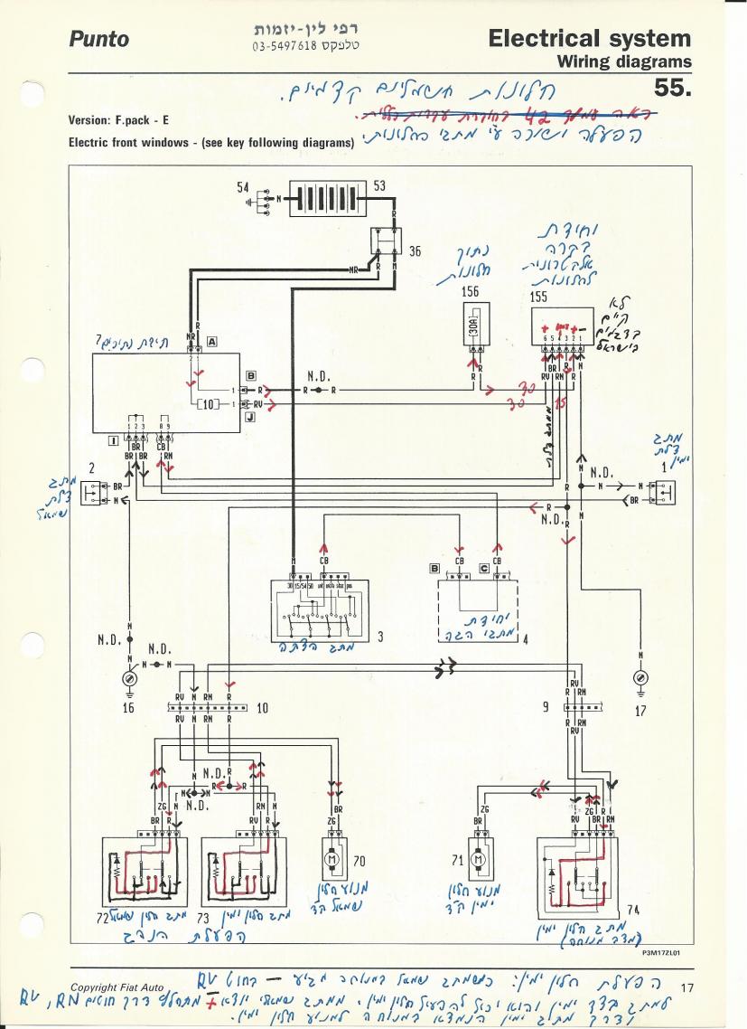
מרים חלונות ושרטוט מע' חלונות חשמל

מרים החלונות הנו אביזר שהותקן בארץ ולצורך כך נחתכו חוטים מקוריים וזרמים עוברים אל מנגנוני החלונות בטור דרך תיבת מרים החלונות.
מצ"ב שרטוט מע' החלונות החשמליים המקורית של פיאט וכן מקרא לצבעי חוטי החשמל.


צבעי חוטים בשרטוטי פיאט

M חום N שחור R אדום

S ורוד L כחול V ירוק

Z סגול A תכלת B לבן

C כתום G צהוב H אפור

שלובי צבעים לדוגמא: VB ירוק/לבן






סימנים מוסכמים


חץ אדום על החוט – מסמן כוון זרימה במתח חיובי ( + )

חץ שחור על החוט – מסמן כוון זרימה במתח שלילי ( - )

חץ כחול על החוט – מסמן כוון זרימה של אות נתון משתנה או מידע מחיישנים וכו'

30 - מתח חיובי קבוע מהמצבר.

31 - הארקה קבועה.

15 - מתח חיובי בהפעלת מתג הצתה.



בברכה - רפי לין
סמלונים שצורפו
לחץ על התמונה בשביל גרסא גדולה יותר

שם:  חלונות חשמל פונטו דור 1.jpg
צפיות: 989
גודל:  122.0 KB  
__________________
האתר לחיפוש מוסכים ושרותי רכב www.musach.co.il
פורום טכני לרכב www.musach.co.il/forum
פייסבוק http://www.facebook.com/profile.php?id=600554043
רפי לין מנותק   הגב עם ציטוט
ישן 07-11-13, 23:44   #22
matansab
Senior Member
 
האווטאר של matansab
 
תאריך הצטרפות: Jul 2012
מיקום: באר שבע
הגלגלים שלי: פונטו SX75
הודעות: 909
רפי המון תודה!!
אז האם זה נכון שאפשר לחבר את חוטי מרים החלונות לשם הבדיקה שציינתי?
__________________
FIAT Punto SX75 1998 > Punto EVO active 2010 > Bravo sensation 2011
החיסכון שלך - ההנאה שלנו ! איפה הקאץ' ?
matansab מנותק   הגב עם ציטוט
ישן 07-11-13, 23:50   #23
רפי לין
בעל מקצוע
מנהל
 
האווטאר של רפי לין
 
תאריך הצטרפות: Oct 2007
מיקום: רמת השרון
הגלגלים שלי: בראבו גיר רובוטי, פנדה גיר ידני
הודעות: 6,357
חיבור חוטים

אתה יכול לנתק החוטים המקוריים מהמרים חלונות ולחברם בחזרה מקורית אחד לשני ואז החלונות יפעלו דרך המתגים וללא מרים החלונות.
בברכה - רפי לין
__________________
האתר לחיפוש מוסכים ושרותי רכב www.musach.co.il
פורום טכני לרכב www.musach.co.il/forum
פייסבוק http://www.facebook.com/profile.php?id=600554043
רפי לין מנותק   הגב עם ציטוט
תגובה



חוקי פרסום הודעות
You may not post new threads
You may not post replies
You may not post attachments
You may not edit your posts

BB code is פועל
סמיילים הם פועל
[IMG] הקוד הוא פועל
קוד HTML הוא כבוי
עבור לפורום

נושאים דומים
נושא מתחיל הנושא פורום תגובות ההודעה האחרונה
טפטוף מים מהמזגן ליד כיסא נוסע לצד הנהג [דור 1] elor פונטו - טכני 6 19-06-12 11:01
חלון נוסע נתקע לפעמים komoto פונטו - טכני 5 31-12-11 21:49
חלון נוסע תקוע ב-3/4 גובה wizmaster פונטו - טכני 4 07-11-10 12:04
שבוע חדש, בעיה חדשה. חלון נוסע לא יורד. פונטו דור1 r.a20 פונטו - טכני 13 05-09-10 20:43
חלון הנהג לא מגיב stas203 פונטו - טכני 15 14-05-08 04:39


כל הזמנים קבועים כ GMT +3. השעה כרגע היא 05:29.


Powered by vBulletin® Version 3.7.3
Copyright ©2000 - 2026, Jelsoft Enterprises Ltd.
FIAT CLUB ISRAEL ©

פיאט מוסכים ושרותי רכב פורום טכני לרכב
אתר רכב הכולל פורום רכב, שימושון רכב, אינדקס מוסכים לחיפוש מוסך ועוד