מועדון פיאט ישראל  

חזור   מועדון פיאט ישראל > פורום טכני > פונטו - טכני
עקוב אחרינו ב-RSS

פונטו - טכני טכני - דגמי פונטו בלבד.

גלריה
תמונות מהגלריה
לחץ על התמונה בשביל גרסא גדולה יותר

שם:  
צפיות: 
גודל:   

יום מסלול לרכבים קלסיים
לחץ על התמונה בשביל גרסא גדולה יותר

שם:  
צפיות: 
גודל:   

יום של ניקיון של בראבו היפה שלי.
לחץ על התמונה בשביל גרסא גדולה יותר

שם:  
צפיות: 
גודל:   

יום מסלול לרכבים קלסיים
לחץ על התמונה בשביל גרסא גדולה יותר

שם:  
צפיות: 
גודל:   

האונו היפה שלי :)
לחץ על התמונה בשביל גרסא גדולה יותר

שם:  
צפיות: 
גודל:   

גלריה צבע לפונטו


מודעות שרות
shimshon
ofer katzav ad


מועדון פיאט בפייסבוק


תגובה
 
כלי נושא הצג מצבים
ישן 17-08-09, 22:01   #1
yair068
Senior Member
 
האווטאר של yair068
 
תאריך הצטרפות: Dec 2008
מיקום: ראשון לציון
הגלגלים שלי: פיאט פונטו
הודעות: 3,222
החלפת ראש מנוע מחד נקודתי לרב נקודתי פונטו שנת 2000

חברה פיאט זה פרוייקט לטווח ארוך.
והפעם עדיין בשלי ישנם כל החלקים צריך עזרה רצוי גם רפי לין .סער. עמית. ועוד טובים.
החלפת ראש מנוע מחד נקודתי לרב נקודתי מ-60 כ"ס ל-75 כ"ס.
הרכבתי את סעפת הפליטה והיא מתאימה לראש המנוע שלי ונותנת כמה סוסים.
אמרתי יופי נרכיב את סעפת היניקה ולא נצטרך לשפץ ראש מנוע אנשי פיאט אמרו לי לא מתאים הפתחים גדולים יותר ומרווחי הברגים גדול .
ז"א צריף ראש מנוע לרב נקודתי ישלח לשיפוץ כללי.
מחשב יש לי שנת 95 צמה הוצאה עד לחיבור לייד קיר האש משאבת דלק יש.
בשלב ראשון מה שאני מעוניין לעשות זה לשפר את הצמא שלי ז"א להוסיף לצמא את חוטי ההזרקה שחסרים לי .
לכן אני צריך שרטוט של מערכת המחשב של פונטו 60 ופונטו 75 רצויי שנת 2000.
המחשבה של שיפור הצמה נלקח מרכב הפירוק ששם יש מזגן מקומי ובכדי לטפל בבעיית הרמת הטורים הוציאו 2 חוטים מהתקע שמחובר למחשב ז"א שפשר לשנות ולשדרג.
כל מי שיכול לשפוך אור בנושא יבורך.
בימים הקרובים אנסה לקבל מדריך אוטודטא אוליי יעזור.

נערך לאחרונה על ידי yair068 : 18-08-09 ב 01:26.
yair068 מנותק  
הגב עם ציטוט
ישן 17-08-09, 23:16   #2
רפי לין
בעל מקצוע
מנהל
 
האווטאר של רפי לין
 
תאריך הצטרפות: Oct 2007
מיקום: רמת השרון
הגלגלים שלי: בראבו גיר רובוטי, פנדה גיר ידני
הודעות: 6,357
שיפור ראש מנוע

איזה שנת ייצור הפונטו שלך ואיזה מזגן יש בה, מקורי או רסקור ישראלי?.
בברכה - רפי לין
__________________
האתר לחיפוש מוסכים ושרותי רכב www.musach.co.il
פורום טכני לרכב www.musach.co.il/forum
פייסבוק http://www.facebook.com/profile.php?id=600554043
רפי לין מנותק   הגב עם ציטוט
ישן 17-08-09, 23:23   #3
yair068
Senior Member
 
האווטאר של yair068
 
תאריך הצטרפות: Dec 2008
מיקום: ראשון לציון
הגלגלים שלי: פיאט פונטו
הודעות: 3,222
רפי המזגן מקורי שנת 2000
yair068 מנותק   הגב עם ציטוט
ישן 17-08-09, 23:55   #4
*ניר*
חבר מועדון
 
האווטאר של *ניר*
 
תאריך הצטרפות: Apr 2008
מיקום: ירושלים
הגלגלים שלי: hgt
הודעות: 240
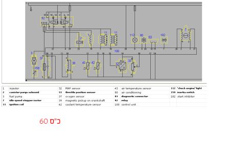
אני מקווה שזה מה שאתה מחפש
סמלונים שצורפו
לחץ על התמונה בשביל גרסא גדולה יותר

שם:  60כס.jpg
צפיות: 962
גודל:  19.0 KB  לחץ על התמונה בשביל גרסא גדולה יותר

שם:  75 כס.jpg
צפיות: 837
גודל:  19.9 KB  
*ניר* מנותק   הגב עם ציטוט
ישן 18-08-09, 00:35   #5
yair068
Senior Member
 
האווטאר של yair068
 
תאריך הצטרפות: Dec 2008
מיקום: ראשון לציון
הגלגלים שלי: פיאט פונטו
הודעות: 3,222
ניר תודה רבה
קצת קשה לקרוא לפי הבנתי אלו מחשבי הרכב וזה מה שאני צריך .
המספרים אני מקווה שאלו הפינים שמתחברים לתקע הצמה תקן אותי.
מהיכן הורדתה את השרטוטים .
yair068 מנותק   הגב עם ציטוט
ישן 18-08-09, 22:44   #6
*ניר*
חבר מועדון
 
האווטאר של *ניר*
 
תאריך הצטרפות: Apr 2008
מיקום: ירושלים
הגלגלים שלי: hgt
הודעות: 240
בגלל שערכתי את הגודל של התמונה אז זה הוריד מהאיכות.
אם אתה רוצה שאני ישלח לך עוד פעם דבר איתי בפרטי ואני ישלח לך את זה במייל או משהו..
*ניר* מנותק   הגב עם ציטוט
ישן 19-08-09, 12:48   #7
רפי לין
בעל מקצוע
מנהל
 
האווטאר של רפי לין
 
תאריך הצטרפות: Oct 2007
מיקום: רמת השרון
הגלגלים שלי: בראבו גיר רובוטי, פנדה גיר ידני
הודעות: 6,357
מחשבי ניהול מנוע פונטו דור 1

בפונטו 1995 מחשב המנוע שונה מהדגמים המאוחרים שאחרי שנת 1998 שבהם אין ברדיאטור יוניט חום ומחשב המנוע מפעיל את מאורר הרדיאטור בשתי מהירויות לפי חום המנוע (הוא מקבל נתון חום מחיישן מיוחד) או לפי לחץ גז המזגן (כשהמזגן פועל) וזאת לפי נתונים ממתג לחץ המזגן (קודרינרי) של 2 רמות לחץ להפעלת המאורר במהירויות השונות.
בשנת 1995 כל ההפעלות האלו לא עברו דרך מחשב ניהול המנוע.
נראה לי שאתה צריך מחשב מנוע של הדגם המאוחר יותר, אבל אז צרוב בו קוד אימובילייזר מקורי שלא יאפשר לך להניע את מכוניתך ולכן תאלץ לקודדו מחדש או להעביר אליו את הקוד מהמחשב הקודם של מכוניתך.
בברכה - רפי לין
__________________
האתר לחיפוש מוסכים ושרותי רכב www.musach.co.il
פורום טכני לרכב www.musach.co.il/forum
פייסבוק http://www.facebook.com/profile.php?id=600554043
רפי לין מנותק   הגב עם ציטוט
ישן 19-08-09, 13:21   #8
yair068
Senior Member
 
האווטאר של yair068
 
תאריך הצטרפות: Dec 2008
מיקום: ראשון לציון
הגלגלים שלי: פיאט פונטו
הודעות: 3,222
אבדוק את הנתון הזה היום למיטב זכרוני אין שם נגד מהירויות על הרדיאטור.
לכן רציתי את השרטוט של הצמה והמחשב בכדי לשדרג את שלי יהיה מסובך יש לי זמן.
תודה רפי
yair068 מנותק   הגב עם ציטוט
ישן 19-08-09, 14:01   #9
רפי לין
בעל מקצוע
מנהל
 
האווטאר של רפי לין
 
תאריך הצטרפות: Oct 2007
מיקום: רמת השרון
הגלגלים שלי: בראבו גיר רובוטי, פנדה גיר ידני
הודעות: 6,357
מאורר רדיאטור

במאורר הרדיאטור של מזגן מקורי יש נגד בתחתית בית המאורר ומתחברים אליו 2 חוטים.
יש גם מכוניות שהגיעו ללא מזגן ארצה, בדגם 2000 ובהם הותקן מזגן ישראלי של
"אלכס אוריגינל" והוא כמובן פועל בצורה אחרת.
שרטוט של מע' ניהול המנוע בפונטו עם הזרקת דלק רב נקודתית, משנת 1998 ומעלה, יש ברשותי
ואם אתה מעוניין בו, רשום כתובת דוא"ל ואסרוק ואשלח לך אותו.
בברכה - רפי לין
__________________
האתר לחיפוש מוסכים ושרותי רכב www.musach.co.il
פורום טכני לרכב www.musach.co.il/forum
פייסבוק http://www.facebook.com/profile.php?id=600554043
רפי לין מנותק   הגב עם ציטוט
ישן 19-08-09, 21:16   #10
yair068
Senior Member
 
האווטאר של yair068
 
תאריך הצטרפות: Dec 2008
מיקום: ראשון לציון
הגלגלים שלי: פיאט פונטו
הודעות: 3,222
עדכונים

קיבלתי היום מרפי לין וניר את השרטוטים של מחשבים ואני מודה להם.
כפי שרפי כתב כאן המחשב (mpi 95)לא יתאים למכונית שלי מכיוון שפיאט ייצר דגם עד 1998 שלא כוללים מזגן הגה כח ושליטה על מערכת החום ועוד חיישנים.
בכלל אני לא מבין את האיטלקים דגם רכב אחד בשינויים עצומים בין חלק לחלק ונתקלתי בזה הרבה.
אתן דוגמה החלפתי קרנק במנוע ומכיוון שלא יכולתי לפתוח את הבורג שתופס את הפולי הרכבתי אותו כיחידה אחת הרכבתי את חגורת הטיימינג ופולי חגורות עליו עשיתי כיוונים עשיתי כמה סיבובים ידניים לבדיקת התיזמון וכל פעם הכיוון השתנה.
פירקתי את פולי חגורות ומה אני רואה מירווחי השיניים שונה בין פולי עליון (גל זיזים) לבין פולי קרנק.
ז"א חגורה של 129 שיניים לעומת 150 שיניים מזל שאין לי 16 שסתומים הכל הייה מתעקם.
לעניינינו מה שאני מנסה לעשות להכין את הרכב לטורבו יתכן ואלביש מחשב ניהול וצמה במקביל על המערכת שלי למי שיש רעיונות לפני שאני פונה למומחה אודה לכולם

מצו"ב לינק רשימת מחשבים לפיאטים
http://storage.fiat-bg.org/Books/Gen..._catalogue.htm

נערך לאחרונה על ידי yair068 : 20-08-09 ב 01:28.
yair068 מנותק   הגב עם ציטוט
תגובה



חוקי פרסום הודעות
You may not post new threads
You may not post replies
You may not post attachments
You may not edit your posts

BB code is פועל
סמיילים הם פועל
[IMG] הקוד הוא פועל
קוד HTML הוא כבוי
עבור לפורום

נושאים דומים
נושא מתחיל הנושא פורום תגובות ההודעה האחרונה
פרוייקט DP פיאט קופה dabab קופה - טכני 9 01-08-09 15:47
המשך בעיות בהצתה פונטו 2001 גל סבג פונטו - טכני 1 29-08-08 14:57
המשך לסיפורי רמת השרון daniel2468 פיאט כללי 2 15-08-08 18:23
המשך פורום הגראז' 1 06-03-07 11:17
המשך לרפילין תודה פורום הגראז' 1 23-04-06 11:27


כל הזמנים קבועים כ GMT +3. השעה כרגע היא 15:41.


Powered by vBulletin® Version 3.7.3
Copyright ©2000 - 2026, Jelsoft Enterprises Ltd.
FIAT CLUB ISRAEL ©

פיאט מוסכים ושרותי רכב פורום טכני לרכב
אתר רכב הכולל פורום רכב, שימושון רכב, אינדקס מוסכים לחיפוש מוסך ועוד