מועדון פיאט ישראל  

חזור   מועדון פיאט ישראל > פורום טכני > פונטו - טכני
עקוב אחרינו ב-RSS

פונטו - טכני טכני - דגמי פונטו בלבד.

גלריה
תמונות מהגלריה
לחץ על התמונה בשביל גרסא גדולה יותר

שם:  
צפיות: 
גודל:   

הפונטו המתוקה שלי אחרי פינוק של סוף שבוע.
לחץ על התמונה בשביל גרסא גדולה יותר

שם:  
צפיות: 
גודל:   

יום מסלול לרכבים קלסיים
לחץ על התמונה בשביל גרסא גדולה יותר

שם:  
צפיות: 
גודל:   

HGT 2001 מחודש
לחץ על התמונה בשביל גרסא גדולה יותר

שם:  
צפיות: 
גודל:   

ובכן - נעים להכיר חברים יקרים.
לחץ על התמונה בשביל גרסא גדולה יותר

שם:  
צפיות: 
גודל:   

פונטו HGT


מודעות שרות
shimshon
ofer katzav ad


מועדון פיאט בפייסבוק


תגובה
 
כלי נושא הצג מצבים
ישן 18-06-10, 08:37   #1
oren814
Junior Member
 
תאריך הצטרפות: Oct 2009
מיקום: מרכז
הגלגלים שלי: פיטא פונטו
הודעות: 2
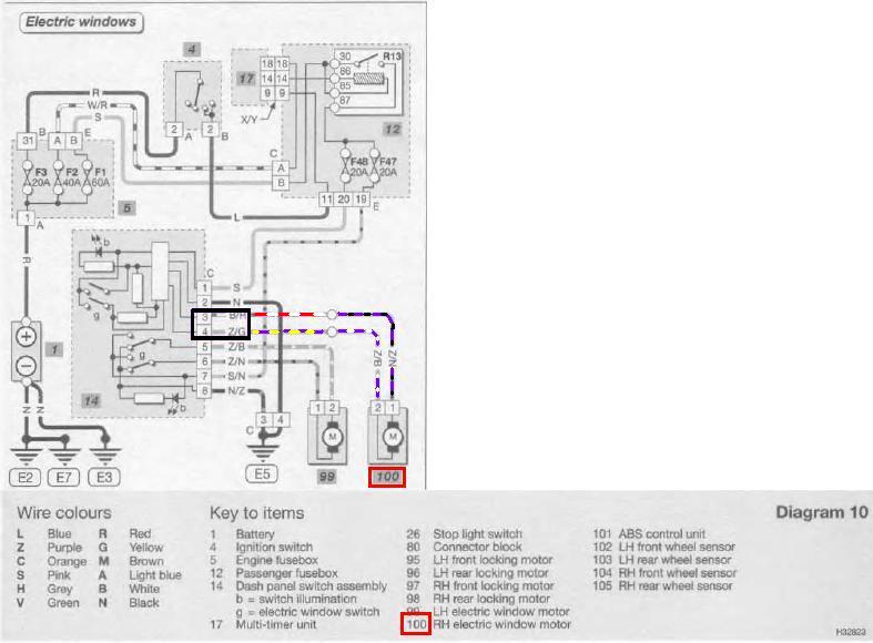
חלון ימני מסרב לזוז

שלום לכולם.
יש לי פונטו ספייס V16 שנת 2002 ובחודש האחרון החלון הימני קדמי עולה ויורד מתי שמתחשק לו, בדקתי את הפיוז והוא לא משוחרר . אני מאמין שזה בעיית מגעים, אבל גם יכול להיות שזה המנוע .
משהו יודע איך אני משיג את המפרט של מערכת החשמל ? או משהו מכיר את הבעיה?
oren814 מנותק  
הגב עם ציטוט
ישן 18-06-10, 09:58   #2
Lexxxa
Senior Member
 
האווטאר של Lexxxa
 
תאריך הצטרפות: May 2009
מיקום: פ"ת
הגלגלים שלי: VW GOLF 2.0 Manual
הודעות: 1,562
בבקשה .
סמלונים שצורפו
לחץ על התמונה בשביל גרסא גדולה יותר

שם:  Electric Windows Wire - Punto Spice.JPG
צפיות: 895
גודל:  51.6 KB  

נערך לאחרונה על ידי Lexxxa : 18-06-10 ב 13:05.
Lexxxa מנותק   הגב עם ציטוט
ישן 18-06-10, 10:00   #3
oren814
Junior Member
 
תאריך הצטרפות: Oct 2009
מיקום: מרכז
הגלגלים שלי: פיטא פונטו
הודעות: 2
תודה רבה
oren814 מנותק   הגב עם ציטוט
תגובה


כלי נושא
הצג מצבים

חוקי פרסום הודעות
You may not post new threads
You may not post replies
You may not post attachments
You may not edit your posts

BB code is פועל
סמיילים הם פועל
[IMG] הקוד הוא פועל
קוד HTML הוא כבוי
עבור לפורום

נושאים דומים
נושא מתחיל הנושא פורום תגובות ההודעה האחרונה
חלון חשמל ימני לא עובד אבני פונטו - טכני 4 01-04-10 14:27
מוסך מורשה מסרב לתת לי את היסטוריית הטיפולים. יש מה לעשות? stio בעלי מקצוע 8 07-11-08 14:10
מחפש פנס ימני קדמי לבראבו gil_a קניה 3 11-10-08 11:02
וינקר ימני לא עובד הדר פונטו - טכני 8 21-08-08 19:36
פנס קידמי ימני ל Hgt partom קניה 9 21-12-07 00:24


כל הזמנים קבועים כ GMT +3. השעה כרגע היא 12:07.


Powered by vBulletin® Version 3.7.3
Copyright ©2000 - 2026, Jelsoft Enterprises Ltd.
FIAT CLUB ISRAEL ©

פיאט מוסכים ושרותי רכב פורום טכני לרכב
אתר רכב הכולל פורום רכב, שימושון רכב, אינדקס מוסכים לחיפוש מוסך ועוד