מועדון פיאט ישראל  

חזור   מועדון פיאט ישראל > פורום טכני > פונטו - טכני
עקוב אחרינו ב-RSS

פונטו - טכני טכני - דגמי פונטו בלבד.

גלריה
תמונות מהגלריה
לחץ על התמונה בשביל גרסא גדולה יותר

שם:  
צפיות: 
גודל:   

האונו היפה שלי ..
לחץ על התמונה בשביל גרסא גדולה יותר

שם:  
צפיות: 
גודל:   

פונטו SX75 בפוטושופ
לחץ על התמונה בשביל גרסא גדולה יותר

שם:  
צפיות: 
גודל:   

ה- פיאט שלי
לחץ על התמונה בשביל גרסא גדולה יותר

שם:  
צפיות: 
גודל:   

האונו היפה שלי :)
לחץ על התמונה בשביל גרסא גדולה יותר

שם:  
צפיות: 
גודל:   

תמונות שלפני ואחרי


מודעות שרות
shimshon
ofer katzav ad


מועדון פיאט בפייסבוק


תגובה
 
כלי נושא הצג מצבים
ישן 29-04-15, 18:17   #1
SHOOKA
Junior Member
 
תאריך הצטרפות: Dec 2013
מיקום: C, H
הגלגלים שלי: פונטו ספייס
הודעות: 26
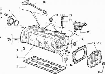
מה עושים שהפקק של סוגר את המכסה שסתומים נגזר?

כמה זה קריטי ?
והאם אפשר רק לסגור טוב עם סיליקון וזה לא ממש משנה אין שם לחצים

בורג מספר 12
סמלונים שצורפו
לחץ על התמונה בשביל גרסא גדולה יותר

שם:  1329372493.jpg
צפיות: 581
גודל:  56.5 KB  לחץ על התמונה בשביל גרסא גדולה יותר

שם:  naread (10).jpg
צפיות: 676
גודל:  20.0 KB  
SHOOKA מנותק  
הגב עם ציטוט
תגובה



חוקי פרסום הודעות
You may not post new threads
You may not post replies
You may not post attachments
You may not edit your posts

BB code is פועל
סמיילים הם פועל
[IMG] הקוד הוא פועל
קוד HTML הוא כבוי
עבור לפורום

נושאים דומים
נושא מתחיל הנושא פורום תגובות ההודעה האחרונה
החלקה של המכסה מנוע גל שאמיס שיפורים וקוסמטיקה 2 05-12-11 19:49
איך עושים כיוון שסתומים פיאט אונו פייר 999 שנת 1993 zvir אונו - טכני 12 26-07-10 17:01
שלט לרכב שלא סוגר את דלת הנהג Sharon פונטו - טכני 8 11-04-10 12:46
בפונטו שלי מאוורר הרדיאטור מופעל בשניה שאני נותן סוויצ' כאשר אני סוגר סוגר הוא נכבה Kfirz פונטו - טכני 2 26-09-09 13:10
נישבר לי המכסה של המיכל דלק.. gil_a בראבו - טכני 3 20-10-08 20:55


כל הזמנים קבועים כ GMT +3. השעה כרגע היא 17:08.


Powered by vBulletin® Version 3.7.3
Copyright ©2000 - 2026, Jelsoft Enterprises Ltd.
FIAT CLUB ISRAEL ©

פיאט מוסכים ושרותי רכב פורום טכני לרכב
אתר רכב הכולל פורום רכב, שימושון רכב, אינדקס מוסכים לחיפוש מוסך ועוד