מועדון פיאט ישראל  

חזור   מועדון פיאט ישראל > פורום טכני > פונטו - טכני
עקוב אחרינו ב-RSS

פונטו - טכני טכני - דגמי פונטו בלבד.

גלריה
תמונות מהגלריה
לחץ על התמונה בשביל גרסא גדולה יותר

שם:  
צפיות: 
גודל:   

my nice spice *מתעדכן*
לחץ על התמונה בשביל גרסא גדולה יותר

שם:  
צפיות: 
גודל:   

כמה זויות להנצחת תוצאות הפוליש ווקס
לחץ על התמונה בשביל גרסא גדולה יותר

שם:  
צפיות: 
גודל:   

ובכן - נעים להכיר חברים יקרים.
לחץ על התמונה בשביל גרסא גדולה יותר

שם:  
צפיות: 
גודל:   

החלפת ג'אנטים בפונטו ספייס שלי
לחץ על התמונה בשביל גרסא גדולה יותר

שם:  
צפיות: 
גודל:   

טיפול דיטיילינג לאוטו - התזמון המושלם :)


מודעות שרות
shimshon
ofer katzav ad


מועדון פיאט בפייסבוק


תגובה
 
כלי נושא הצג מצבים
ישן 04-02-14, 18:55   #1
Nuker
Senior Member
 
האווטאר של Nuker
 
תאריך הצטרפות: May 2013
מיקום: צפון
הגלגלים שלי: פונטו ספייס SX
הודעות: 374
סגאת החלון החשמלי

היום נכנסתי לעוד סיבוב נגד החלון החשמלי שלא עובד..
היה עובד לפרקים עד שהפסיק
בסיבוב הראשון מדדתי זרם מהמחבר מנוע חשמלי וקיבלתי מתח של 12V כמו שצריך לבסוף איכשהו החלון הסתדר מעצמו ועבד שלושה ימים עד ששוב יצא לחופשה

היום מדדתי וקיבלתי 5V בלבד... איפה יכולה להיות הזליגה ומה ניתן לעשות לפני שאני פותח את הארנק...
**פונטו ספייס SX 2002.
סמלונים שצורפו
לחץ על התמונה בשביל גרסא גדולה יותר

שם:  windows.jpg
צפיות: 790
גודל:  71.4 KB  

נערך לאחרונה על ידי Nuker : 04-02-14 ב 19:36.
Nuker מנותק  
הגב עם ציטוט
ישן 04-02-14, 22:32   #2
רפי לין
בעל מקצוע
מנהל
 
האווטאר של רפי לין
 
תאריך הצטרפות: Oct 2007
מיקום: רמת השרון
הגלגלים שלי: בראבו גיר רובוטי, פנדה גיר ידני
הודעות: 6,357
תקלת חלון חשמלי בפונטו ספייס

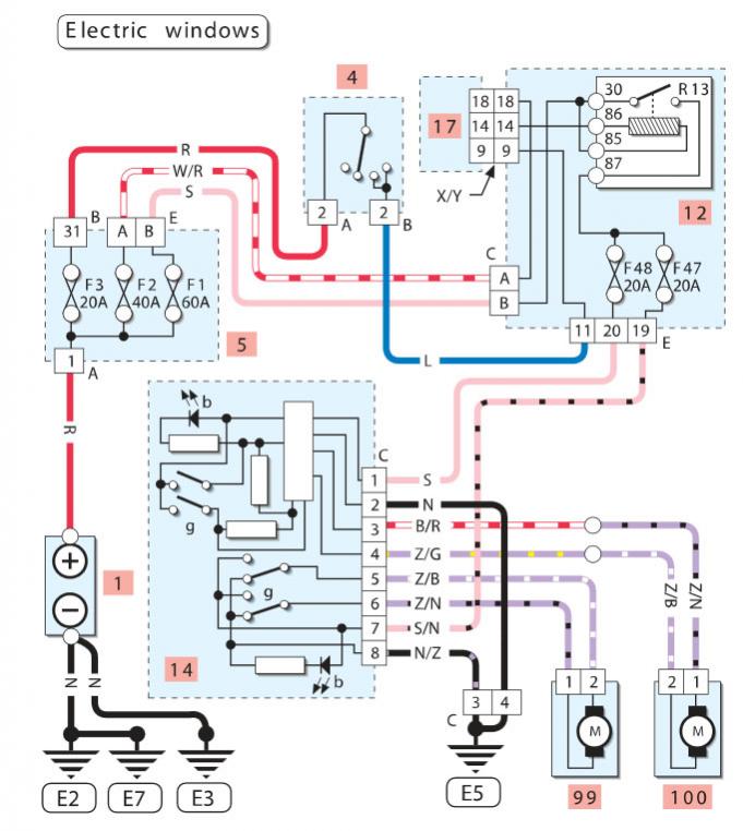
לרוב הבעיה נובעת ממתג החלון.
מצ"ב השרטוט החשמלי המקורי של פיאט שפענחתי.
בברכה - רפי לין
סמלונים שצורפו
לחץ על התמונה בשביל גרסא גדולה יותר

שם:  חלונות חשמל פונטו ספייס.jpg
צפיות: 894
גודל:  110.8 KB  
__________________
האתר לחיפוש מוסכים ושרותי רכב www.musach.co.il
פורום טכני לרכב www.musach.co.il/forum
פייסבוק http://www.facebook.com/profile.php?id=600554043
רפי לין מנותק   הגב עם ציטוט
ישן 04-02-14, 22:34   #3
רפי לין
בעל מקצוע
מנהל
 
האווטאר של רפי לין
 
תאריך הצטרפות: Oct 2007
מיקום: רמת השרון
הגלגלים שלי: בראבו גיר רובוטי, פנדה גיר ידני
הודעות: 6,357
תוספות לשרטוט

וכאן קודי צבעי החוטים וסימנים בשרטוט:




צבעי חוטים בשרטוטי פיאט

M חום N שחור R אדום

S ורוד L כחול V ירוק

Z סגול A תכלת B לבן

C כתום G צהוב H אפור

שלובי צבעים לדוגמא: VB ירוק/לבן






סימנים מוסכמים


חץ אדום על החוט – מסמן כוון זרימה במתח חיובי ( + )

חץ שחור על החוט – מסמן כוון זרימה במתח שלילי ( - )

חץ כחול על החוט – מסמן כוון זרימה של אות נתון משתנה או מידע מחיישנים וכו'

30 - מתח חיובי קבוע מהמצבר.

31 - הארקה קבועה.

15 - מתח חיובי בהפעלת מתג הצתה.

בברכה - רפי לין
__________________
האתר לחיפוש מוסכים ושרותי רכב www.musach.co.il
פורום טכני לרכב www.musach.co.il/forum
פייסבוק http://www.facebook.com/profile.php?id=600554043
רפי לין מנותק   הגב עם ציטוט
ישן 04-02-14, 22:50   #4
Nuker
Senior Member
 
האווטאר של Nuker
 
תאריך הצטרפות: May 2013
מיקום: צפון
הגלגלים שלי: פונטו ספייס SX
הודעות: 374
חיכיתי לך רפי

תודה רבה על המידע,
בפעם הראשונה שניסיתי לסדר פתחתי את הפאנל הפעלה וביצעתי בדיקת רציפות ללחצנים והיה תקין,
האם על השבב יש סוג של ממסר?
יש לציין שהחלון נהג עובד והנוסע לא

האם ייתכן שההארקה של הדשבורד (C20) מנותקת ונוצרת הזליגה

אם כן איפה בדיוק היא ממוקמת

וכמפלט אחרון אם יש לך המלצה לחשמלאי שבקיא בפונטו באזור נהריה-עכו-קריות
(יש לי דברים שקשורים לא רק לחלון לברר על הדרך)

נערך לאחרונה על ידי Nuker : 04-02-14 ב 23:38.
Nuker מנותק   הגב עם ציטוט
ישן 05-02-14, 09:24   #5
רפי לין
בעל מקצוע
מנהל
 
האווטאר של רפי לין
 
תאריך הצטרפות: Oct 2007
מיקום: רמת השרון
הגלגלים שלי: בראבו גיר רובוטי, פנדה גיר ידני
הודעות: 6,357
תקלת החלונות

אני חושב שאת בעלי הידע במכוניות פיאט תמצא במוסכים המורשים של היבואן ויש בעכו ובחיפה, לפי רצונך: http://www.fiat.co.il/heb/services.aspx?area_id=3
בברכה - רפי לין
__________________
האתר לחיפוש מוסכים ושרותי רכב www.musach.co.il
פורום טכני לרכב www.musach.co.il/forum
פייסבוק http://www.facebook.com/profile.php?id=600554043
רפי לין מנותק   הגב עם ציטוט
ישן 05-02-14, 14:25   #6
Nuker
Senior Member
 
האווטאר של Nuker
 
תאריך הצטרפות: May 2013
מיקום: צפון
הגלגלים שלי: פונטו ספייס SX
הודעות: 374
איפה נמצאת ההארקה C20 של הדש\פנל הפעלה?
Nuker מנותק   הגב עם ציטוט
ישן 05-02-14, 15:22   #7
רפי לין
בעל מקצוע
מנהל
 
האווטאר של רפי לין
 
תאריך הצטרפות: Oct 2007
מיקום: רמת השרון
הגלגלים שלי: בראבו גיר רובוטי, פנדה גיר ידני
הודעות: 6,357
הארקה

איני יודע במדויק, אבל לרוב בפיאט זה נמצא על פח הדופן שמתחת לדשבורד בצידו הימני ביותר ולפעמים זה מתחת לריפוד הדופן.
בברכה - רפי לין
__________________
האתר לחיפוש מוסכים ושרותי רכב www.musach.co.il
פורום טכני לרכב www.musach.co.il/forum
פייסבוק http://www.facebook.com/profile.php?id=600554043
רפי לין מנותק   הגב עם ציטוט
ישן 10-02-14, 16:04   #8
Nuker
Senior Member
 
האווטאר של Nuker
 
תאריך הצטרפות: May 2013
מיקום: צפון
הגלגלים שלי: פונטו ספייס SX
הודעות: 374
רפי, הלכתי היום לחשמלאי,
הוא טען בפני שהוא יכול לשים ריליים חיצוניים שיחזיקו כמו שצריך שיעקפו כביכול את מה שקיים על הפנל הפעלה
הצעת מחיר- 150 ש"ח

עכשיו ריליי פיזי הוא דיי גדול ויש את הטריאקס שזה כביכול סוג של ריליי חשמלי

אני לא אוהב קומבינות אבל זה נשמע סביר, מה דעתך?

נ.ב דוד אם אני זוכר נכון באחד השרשורים טענת שיש איזה בחור שיודע לתקן את זה ושתיקן לך כמה פנלי הפעלה, אני צודק??

נערך לאחרונה על ידי Nuker : 10-02-14 ב 16:29.
Nuker מנותק   הגב עם ציטוט
ישן 10-02-14, 17:41   #9
רפי לין
בעל מקצוע
מנהל
 
האווטאר של רפי לין
 
תאריך הצטרפות: Oct 2007
מיקום: רמת השרון
הגלגלים שלי: בראבו גיר רובוטי, פנדה גיר ידני
הודעות: 6,357
חלון חשמלי

גם אני שונא קומבינציות כאלו.
בברכה - רפי לין
__________________
האתר לחיפוש מוסכים ושרותי רכב www.musach.co.il
פורום טכני לרכב www.musach.co.il/forum
פייסבוק http://www.facebook.com/profile.php?id=600554043
רפי לין מנותק   הגב עם ציטוט
ישן 11-02-14, 16:55   #10
Nuker
Senior Member
 
האווטאר של Nuker
 
תאריך הצטרפות: May 2013
מיקום: צפון
הגלגלים שלי: פונטו ספייס SX
הודעות: 374
היום סגרתי את הנושא,

פירקתי את הפנל מתגים ונסעתי לפירוקיה בתקווה למצוא אחד אחר,
למזלי היה, ביקשתי לחבר לראות אם זה פותר את הבעיה חיברתי ו...
אותו סיפור חלון נהג עובד וחלון נוסע לא..
לא התבאסתי והשלמתי שברים וחוסרים מפירוק במחיר טוב (כי אני לקוח חוזר )

כששללתי את פנל ההפעלה לא נותרה ברירה אלא ללכת לבעל מקצוע
כי צריך לאתר איפה יש קצר\נתק\זליגה במערכת חלונות החשמל

הגעתי לחשמלאי והתחלנו בבדיקת רציפות פורק המחבר בין הדלת לרכב בצד נוסע ובוצעה בדיקה אם יש זרם באחד הפינים (נקבה) כאשר נלחץ המתג או למלעה או למטה
הצלחנו לראות שיש אור באחד הפינים כשלוחצים למטה אך כשהמתג נלחץ למלעה לא היה
החשמלאי האשים את הפאנל ואני שללתי את ההשערה,

לכן נפתח מכסה פנל פיוזים ליד ההגה ונבדק החיווט של החלונות חשמל שעובר שם גם

מסתבר שהיה פעם מותקן ברכב מרים שמשות אפטרמרקט וכשהורידו אותו לא חיברו את החוטים חזרה כמו שצריך לכן אחד מהם התנתק ולכן החלון הפסיק לעבוד. -מישהו יד או כמה לפני ביצעו עבודה בצורה חאפרית ואני אוכל את הח*א,אני לא חשבתי בכלל לכיוון ההוא... כנאמר אין חכם כבעל הניסיון.

לסיכום, ניסיתי לחסוך עלויות ובזבזתי הרבה זמן (שהיה לי) בנסיון לאתר לבד את מקור הבעיה,
לשם המחשה אציין שביצעתי פירוק והרכבה לפאנל הפעלה+קונסולה מרכזית והדלת לפחות פעמיים
אציין שעוד על הדרך נשברו כמה דברים קטנים כי הפלסטיקה ברכב שבירה מאד והזמן לא מטיב עימה, בדיעבד אם הייתי הולך ישר לחשמלאי הייתי חוסך הרבה זמן אבל לא את תהליך הלמידה.

נערך לאחרונה על ידי Nuker : 11-02-14 ב 17:10.
Nuker מנותק   הגב עם ציטוט
תגובה



חוקי פרסום הודעות
You may not post new threads
You may not post replies
You may not post attachments
You may not edit your posts

BB code is פועל
סמיילים הם פועל
[IMG] הקוד הוא פועל
קוד HTML הוא כבוי
עבור לפורום

נושאים דומים
נושא מתחיל הנושא פורום תגובות ההודעה האחרונה
החלון (חשמל) בורח מהמסילה בעלייה מאור30 פונטו - טכני 13 22-01-13 17:17
שאלה איך קוראים לגומי \ מסילה שיושב עליו החלון command sergeant major אוף טופיק 0 25-08-10 18:17
[עזרה]פירוק ידית החלון בדור ראשון snoopka16 פונטו - טכני 5 28-11-09 03:26
בעיה חשמלית בלחצן של החלון?. iz2 פונטו - טכני 1 28-11-09 00:23
[פרוייקט מצולם2x]מנגנון החלון האחורי+מגב אחורי בפונטו Mk2 פורום הגראז' 7 23-12-06 20:23


כל הזמנים קבועים כ GMT +3. השעה כרגע היא 10:17.


Powered by vBulletin® Version 3.7.3
Copyright ©2000 - 2026, Jelsoft Enterprises Ltd.
FIAT CLUB ISRAEL ©

פיאט מוסכים ושרותי רכב פורום טכני לרכב
אתר רכב הכולל פורום רכב, שימושון רכב, אינדקס מוסכים לחיפוש מוסך ועוד