מועדון פיאט ישראל  

חזור   מועדון פיאט ישראל > פורום טכני > פונטו - טכני
עקוב אחרינו ב-RSS

פונטו - טכני טכני - דגמי פונטו בלבד.

גלריה
תמונות מהגלריה
לחץ על התמונה בשביל גרסא גדולה יותר

שם:  
צפיות: 
גודל:   

תוצאה של 6.5 שעות של התברסות על הפונטו.
לחץ על התמונה בשביל גרסא גדולה יותר

שם:  
צפיות: 
גודל:   

חזרתי למועדון- והפעם עם פונטו: גלריה מתעדכנת
לחץ על התמונה בשביל גרסא גדולה יותר

שם:  
צפיות: 
גודל:   

4 חודשים עם האונו !
לחץ על התמונה בשביל גרסא גדולה יותר

שם:  
צפיות: 
גודל:   

יום מסלול לרכבים קלסיים
לחץ על התמונה בשביל גרסא גדולה יותר

שם:  
צפיות: 
גודל:   

הפיאט שלי 2001


מודעות שרות
shimshon
ofer katzav ad


מועדון פיאט בפייסבוק


תגובה
 
כלי נושא הצג מצבים
ישן 06-05-13, 18:54   #1
ברא
Senior Member
 
תאריך הצטרפות: Oct 2008
מיקום: ארץ חובבי הפיאט
הגלגלים שלי: פונטו ספייס
הודעות: 666
מזגן לא נדלק

פונטו ספייס 2002 ידני 60 כ"ס
היי חברים יש לי שאילה בקשר למזגן הוא הפסיק לעבוד והבורר של המאוורר 1 2 3 4 לא עובד באף אחד מהמצבים רק אתמול נהניתי מהקור בצהרים
יש למישהו כוון ?
האם אתם יודעים איזה פיוז למזגן מי שיש לו סקיצה שישלח מה שיש לי ברכב שמו שמה קודנית וכלום לא ברור
עוד שאילה מה מספר מפתח ההילין של קרתיר השמן
ברא מנותק  
הגב עם ציטוט
ישן 06-05-13, 19:00   #2
yair791
Senior Member
 
תאריך הצטרפות: Jan 2009
מיקום: נתניה
הגלגלים שלי: פיאט אונו,יונדאי אקסנט,מיצובישי מאגנום
הודעות: 2,118
תיבדוק אם המדחס ניכנס לפעולה כשאתה מדליק את המזגן ע"י כך שיהיה שינוי בסיבובי המנוע ואם אתה לא סם לב לשינוי משמעותי תיבדוק אם הוא מיסתובב אם גם את זה אין באפשרותך לעשות תיבדוק אם יש שינוי בטמפ' צנרת המזגן שניכנסת לתא הנוסעים צינור אחד אמור להיות קר ואחד חם
אם יש שינוי בטמפ או כל אחד מהגורמים האלה אז תיבדוק אם יש פיוז שרוף אם אין פיוז שרוף תיבדוק אם המאוורר טפוס ואם מגיע אליו מתח אם לא מגיע אליו מתח אז הבעיה היא במפסק המצבים שמדליק את המאורר הסבירות היא שזו הבעיה גם בלי לבדוק תחילה אם מע' הקירור ניכנסת לפעולה
בנוגע למפתח לאליך להישתמש אם אני לא טועה אז אלן 13מ"מ יעשה את העבודה יש לי חבר עם אותו רכב ואני עושה לו את הטיפולים
yair791 מנותק   הגב עם ציטוט
ישן 06-05-13, 20:40   #3
davidmzr
Senior Member
 
האווטאר של davidmzr
 
תאריך הצטרפות: May 2008
מיקום: רחובות.
הגלגלים שלי: פונטו
הודעות: 6,029
הנה הסקיצה של המזגן במכוניתך.
דוד.
סמלונים שצורפו
לחץ על התמונה בשביל גרסא גדולה יותר

שם:  מזגן.JPG
צפיות: 759
גודל:  49.9 KB  
__________________
שאלות בנושאים טכניים נא לפרסם בפורום.
לכעוס ולהעלב הם, להעניש את עצמך על טעותם של אחרים.
davidmzr מנותק   הגב עם ציטוט
ישן 07-05-13, 08:11   #4
רפי לין
בעל מקצוע
מנהל
 
האווטאר של רפי לין
 
תאריך הצטרפות: Oct 2007
מיקום: רמת השרון
הגלגלים שלי: בראבו גיר רובוטי, פנדה גיר ידני
הודעות: 6,357
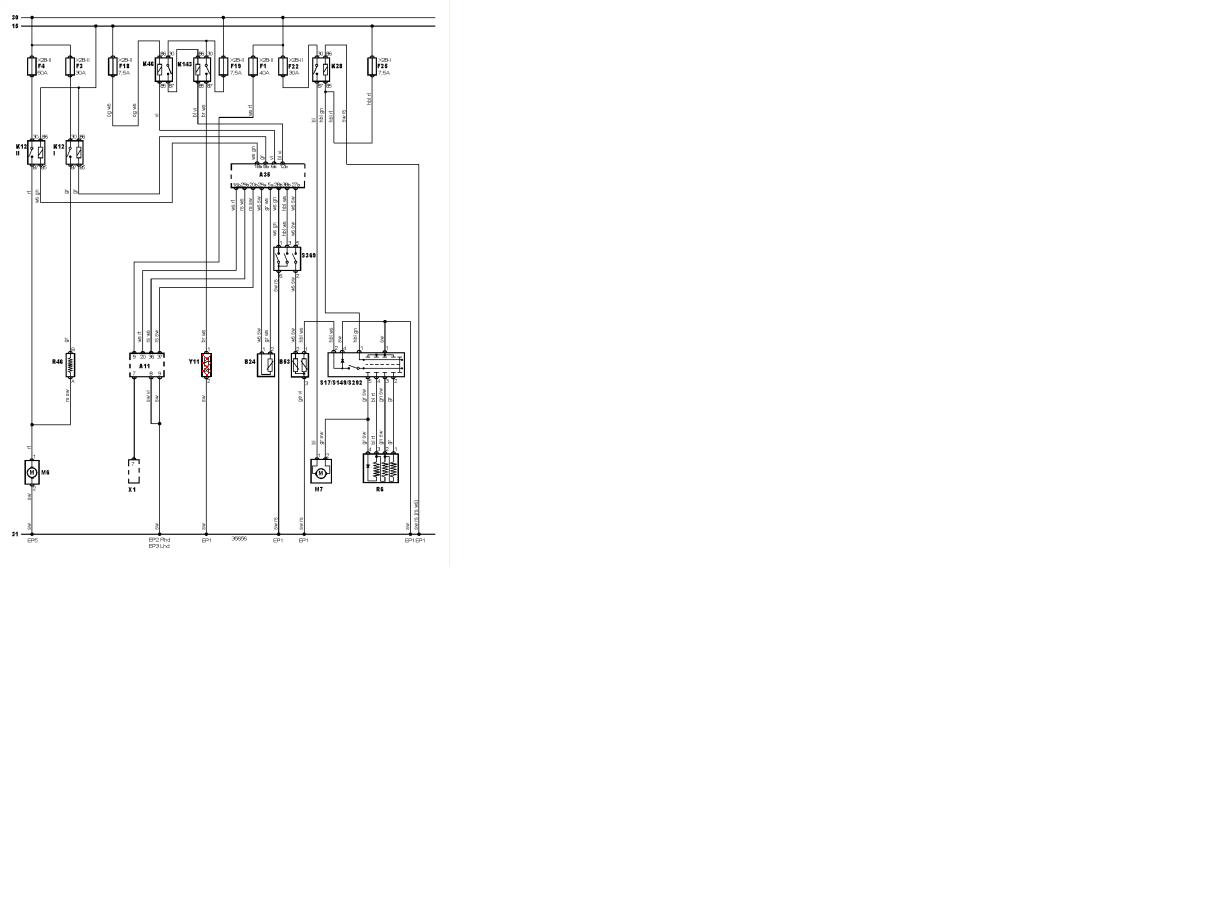
מפוח פנימי

למפוח הפנימי יש נתיך של 30A בתיבת הנתיכים שבתא המנוע.
האם כשמתג הבורר נמצא על מצב הפעלה ואתה לוחץ עליו להפעלת המזגן, נדלקת בו הנורה הצהובה שמראה שהמזגן פועל?.
תקלה נפוצה שהמפוח לא פועל, הנה מגע שרוף או חופשי במחבר החשמלי אל המפוח עצמו.
מצורף שרטוט, מדויק יותר, של מע' הפעלת המפוח הפנימי.
נא עדכן ממצאים ותוצאות, לכשיהיו.
בהצלחה ובברכה - רפי לין
סמלונים שצורפו
לחץ על התמונה בשביל גרסא גדולה יותר

שם:  scan0001.jpg
צפיות: 1017
גודל:  117.7 KB  
__________________
האתר לחיפוש מוסכים ושרותי רכב www.musach.co.il
פורום טכני לרכב www.musach.co.il/forum
פייסבוק http://www.facebook.com/profile.php?id=600554043
רפי לין מנותק   הגב עם ציטוט
ישן 08-05-13, 09:51   #5
shlomipsy
Junior Member
 
תאריך הצטרפות: Oct 2012
מיקום: אילת
הגלגלים שלי: fiat s60
הודעות: 19
זה פיוז ומפתח אלן 12.
shlomipsy מנותק   הגב עם ציטוט
תגובה



חוקי פרסום הודעות
You may not post new threads
You may not post replies
You may not post attachments
You may not edit your posts

BB code is פועל
סמיילים הם פועל
[IMG] הקוד הוא פועל
קוד HTML הוא כבוי
עבור לפורום

נושאים דומים
נושא מתחיל הנושא פורום תגובות ההודעה האחרונה
תאורת פאנל מזגן ומאוור מזגן לא עובדים brus22 פונטו - טכני 2 09-01-13 20:06
ספייס 2005, החלפת פילטר מזגן -> מזגן לא מקרר? shayks פונטו - טכני 4 27-06-12 14:22
מזגן קליין פונטו - טכני 12 26-05-11 21:15
מי מזגן? wizmaster פונטו - טכני 3 16-05-11 00:49
בקשה לסיוע בבעית מזגן בפונטו HSD 95 - מזגן רסקור פורום הגראז' 10 15-05-07 16:26


כל הזמנים קבועים כ GMT +3. השעה כרגע היא 11:39.


Powered by vBulletin® Version 3.7.3
Copyright ©2000 - 2026, Jelsoft Enterprises Ltd.
FIAT CLUB ISRAEL ©

פיאט מוסכים ושרותי רכב פורום טכני לרכב
אתר רכב הכולל פורום רכב, שימושון רכב, אינדקס מוסכים לחיפוש מוסך ועוד